Услуги по механической обработке
Расточка чернового отверстия
Изготовление шпоночного паза
Изготовление резьбового отверстия
Запрессовка подшипника
Подробнее
Услуги по механической обработке Услуги по механической обработке Услуги по механической обработке Услуги по механической обработке Услуги по механической обработке

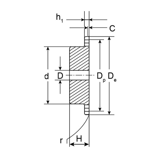
Звездочки со ступицей с калеными зубьями

Показать по 24