Опорные ролики

Показать по 24

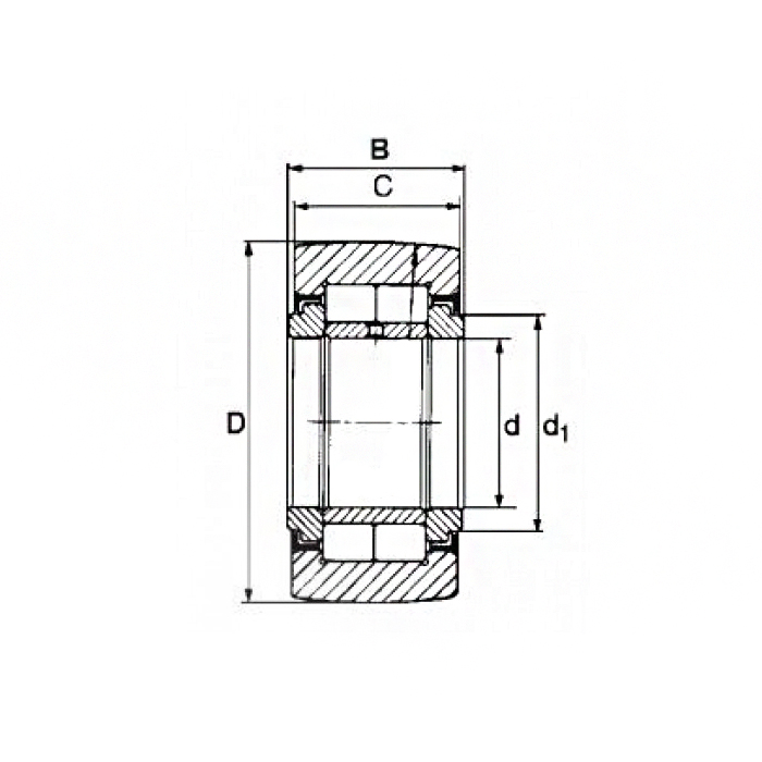
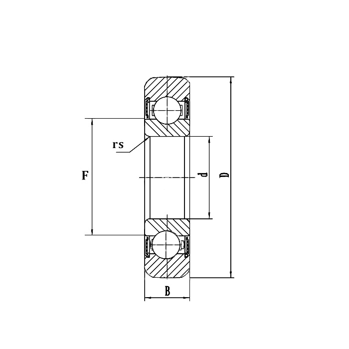
Опорные ролики — это разновидность подшипников качения, предназначенных для использования в условиях высоких ударных нагрузок. Оснащены наружным кольцом с толстыми стенками. Устанавливаются на короткий вал. Не предназначены для монтажа в посадочное место, а являются рабочей поверхностью обкатывания.

В каталоге компании ISKRA вы найдете большой выбор опорных роликов, которые различаются по размерам и форме. Представлены модели сферические, цилиндрические, с желобом. Есть варианты с цапфой и без нее.

Достоинства товаров

Опорные ролики имеют широкую сферу применения: используются для всех видов роликовых приводов, треков и конвейерных систем. Выполнены из прочной стали, поэтому выдерживают сильное радиальное и осевое биение и другие внешние воздействия. Благодаря увеличенной толщине наружного кольца деталь способна длительное время работать в высоконагруженном режиме.

Также у роликов есть следующие преимущества:

  • полная готовность к установке, простота монтажа и обслуживания;
  • высокая устойчивость к вибрациям;
  • низкое трение, защита от преждевременного износа;
  • длительный срок службы даже в сложных условиях использования;
  • уплотнительные кольца для повышения надежности;
  • безупречное качество обработки поверхностей;
  • стабильность при работе на высоких скоростях и мощностях;
  • компенсация угловых отклонений;
  • широкий модельный ряд — легко подобрать детали для разных условий использования.

На производстве комплектующих действует строгая система менеджмента качества — товары проходят контроль на каждом этапе изготовления. Вы гарантированно не получите брак.

Продукция поступает в продажу напрямую с производства, поэтому цены на опорные подшипники доступные.

Заказ

Купить опорный ролик ISKRA можно онлайн. Оформите заказ на сайте или по телефону. Мы организуем доставку в любой город России. Также комплектующие можно приобрести с самовывозом из нашего склада в Санкт-Петербурге.

Позвоните нам, если нужна помощь с выбором товаров или возникли другие вопросы. Также можете связаться с консультантами в чате на сайте.