Услуги по механической обработке
Расточка чернового отверстия
Изготовление шпоночного паза
Запрессовка подшипника
Подробнее
Услуги по механической обработке Услуги по механической обработке Услуги по механической обработке Услуги по механической обработке Услуги по механической обработке

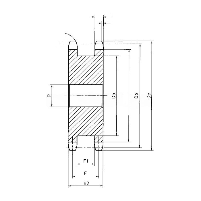
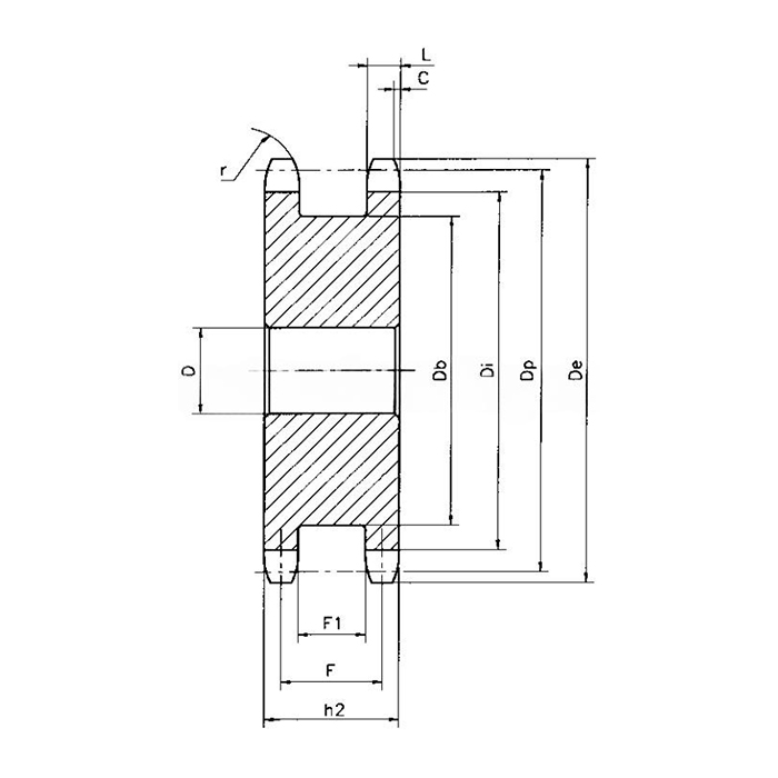
Звездочки двойные для однорядных цепей

Показать по 24

В интернет-магазине ISKRA вы можете заказать двойные звездочки для однорядных цепей оптом и в розницу. Мы производим комплектующие для промышленного оборудования различного назначения. Реализуем товары по доступным ценам.

Ассортимент и особенности продукции

Мы предлагаем большой выбор двойных звездочек, которые различаются по количеству зубьев, шагу и типу цепи, а также другим характеристикам. Для изготовления изделий используем качественную сталь, благодаря чему они обладают повышенной прочностью и устойчивостью к внешним воздействиям.

Двойные звездочки для однорядных цепей обеспечивают последовательную передачу крутящего момента. При этом движение исходит от одной точки и направляется к нескольким точкам одновременно.

Преимущества комплектующих:

  • равномерный износ зубьев;
  • простая и быстрая установка;
  • устойчивость к повышенным нагрузкам;
  • длительный срок службы даже при интенсивной эксплуатации.

Двойные звездочки обеспечивают наибольшую плавность цепного хода и минимальные потери энергии при движении цепи. Помогают цепной передаче работать с высоким КПД.

Покупка

Приобрести двойные звездочки для однорядных цепей можно онлайн. Мы организуем доставку по Санкт-Петербургу или отправим детали в другой город РФ. Также предлагаем купить товары на нашем складе с самовывозом.

Чтобы получить консультацию, свяжитесь с нами по телефону или напишите вопрос в чате на сайте. Менеджеры помогут выбрать комплектующие и оперативно оформят заказ.