ОПУ с перекрестными роликами

Популярные запросы
Часто ищут
Показать еще
Показать по 24

Опорно-поворотные устройства используются в опорно-поворотных механизмах, где не требуется быстрое вращение, есть большой изгибающий момент и необходима прочность и высокая грузоподъемность конструкции. Приспособлены для нагрузок в любых направлениях.


Компания ISKRA предлагает ОПУ с перекрестными роликами собственного производства. В каталоге представлены модели с наружным зацеплением и без зацепления. Также комплектующие различаются по количеству зубьев, диаметру и другим параметрам. Мы поможем подобрать подходящие детали под ваши задачи.

Особенности конструкции и преимущества

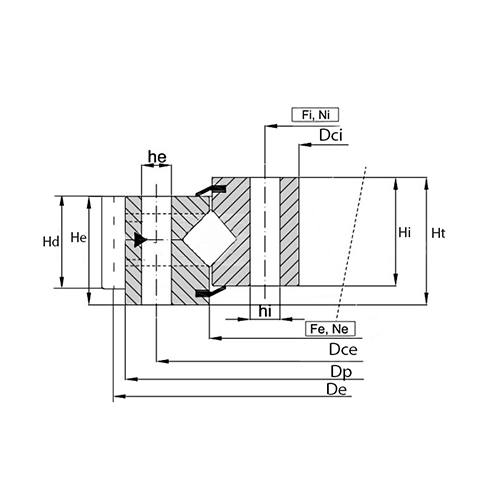
Устройство состоит из двух колец, тел качения (цилиндрических роликов) и пластиковых сепараторов. В наружном кольце есть разлом, который удерживается в собранном виде с помощью трех фиксирующих колец.


Цилиндрические ролики расположены перекрестно. Благодаря такому строению ОПУ готовы к осевым нагрузкам в обоих направлениях, радиальным, а также к опрокидывающим моментам. Конструкция жесткая и обладает высокой точностью вращения.


Также у ОПУ с перекрестными роликами есть следующие достоинства:

  • работают в широком температурном диапазоне: от -30 до +80 °C;
  • выдерживают высокие нагрузки, не образуют люфтов;
  • долго служат, готовы к интенсивному использованию;
  • имеют идеально гладкие поверхности, на отверстиях и кромках сопрягаемых деталей отсутствуют неровности и заусенцы;
  • простые в установке и обслуживании.

Мы контролируем каждый этап изготовления опорно-поворотных устройств с перекрестными роликами. Готовые товары проходит строгую проверку качества. Имеют официальную гарантию 1 год.


Реализуем продукцию по доступным ценам от производителя. Выполняем заказы любых объемов в короткие сроки благодаря большому запасу товаров на складе.

Покупка

ОПУ с перекрестными роликами можно заказать онлайн. Мы организуем доставку в любую точку России. В другие страны отправляем заказы с помощью надежных транспортных компаний.


Также предлагаем купить комплектующие на нашем складе в Санкт-Петербурге с самовывозом. Широкий ассортимент продукции всегда есть в наличии.


Свяжитесь с нами по телефону или напишите в онлайн-чате. Менеджеры помогут подобрать подшипники и оперативно оформят заказ. Также вы можете оставить контактные данные в форме на сайте, и мы позвоним вам.