Конические зубчатые пары

Популярные запросы
Показать еще
Показать по 24

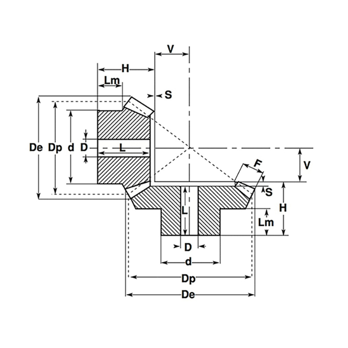
Коническая зубчатая пара используется для зубчатых передач производственного оборудования различного назначения. Состоит из ведущего и ведомого элементов в форме конуса с зубьями. Они передают крутящий момент между составными частями механизмов и располагаются под определенным углом друг к другу. Уровень наклона задает направление вращения.

Компания ISKRA предлагает купить зубчатую коническую пару собственного производства. Мы контролируем каждый этап изготовления комплектующих и реализуем товары в любых объемах.

Преимущества

Для изготовления конических зубчатых пар мы используем качественную сталь С45. Детали обладают повышенной прочностью и устойчивостью к износу. Выдерживают сильные нагрузки и эффективны в широком диапазоне скоростей и мощностей.

Конические пары широко применяются в редукторах мощного промышленного оборудования, в станках, конусных дробилках и др. Значительно расширяют возможности при проектировании сложных механизмов.

У деталей есть следующие особенности:

  • устойчивость к коррозии, воздействию влаги и других внешних факторов;
  • тщательная обработка поверхности;
  • простота установки, отсутствие необходимости в сложном техническом обслуживании;
  • возможность изменения угла осей в широких пределах;
  • длительный срок службы даже в сложных условиях эксплуатации;
  • равномерное распределение нагрузки и предотвращение преждевременного износа;
  • плавный ход с низким уровнем шума.

Конические зубчатые пары выполнены по государственным стандартам качества с высокой точностью. Проходят строгий контроль на каждом этапе изготовления. Гарантированно надежные, что подтверждают сертификаты.

Покупка

Приобрести конические зубчатые пары можно на нашем сайте. Мы организуем доставку курьером по Санкт-Петербургу и Ленинградской области. В другие регионы России отправляем товары с помощью надежных грузоперевозчиков. Благодаря грамотной логистике привозим заказы быстро.

Если вы находитесь в Санкт-Петербурге, комплектующие можно приобрести на нашем складе с самовывозом. Благодаря регулярному пополнению ассортимента продукция есть в наличии в большом объеме. Товары поступают в продажу напрямую с завода, поэтому реализуются по доступным ценам.

Получить консультацию можно по телефону или в онлайн-чате. Менеджеры помогут выбрать комплектующие, расскажут об акциях и оперативно оформят заказ.