Услуги по механической обработке
Расточка чернового отверстия
Изготовление шпоночного паза
Запрессовка подшипника
Подробнее
Услуги по механической обработке Услуги по механической обработке Услуги по механической обработке Услуги по механической обработке Услуги по механической обработке

Звездочки без ступицы под расточку

Показать по 24

Звездочки — важный компонент цепной передачи. Они выполняют функцию двигателя и передают усилие от вала к другим элементам механизма. Комплектующие могут иметь разную конфигурацию.

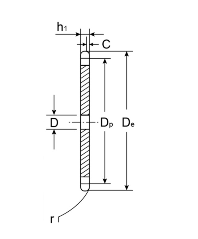
Звездочки без ступицы под расточку представляют собой плоские профилированные колеса с зубьями по краям и отверстием для доработки. Оно позволяет сформировать посадочное место, точно соответствующее необходимым размерам.

 

Наш ассортимент

Предлагаем большой выбор звездочек без ступицы с черновым отверстием под расточку. В наличии — одно- и двухрядные модели разного типоразмера. Все детали объединяет высокое качество:

  • Исполнение из высокопрочной стали марки С45Е. Благодаря этому материалу детали отличаются долгим сроком эксплуатации и износостойкостью.
  • Высокая точность обработки зубьев и полное соответствие заявленным геометрическим параметрам. Эта характеристика обеспечивает плотную посадку звездочки без ступицы на вал, беспроблемный ход механизма, длительный срок службы цепи.
  • Универсальность. Модели без ступицы подходят для оборудования, задействованного в сферах пищевой, бумажной, дорожной, строительной и других видов промышленности.

На все модели действует годовая гарантия.

 

Почему мы

У нас вы можете выгодно купить звездочки без ступицы под расточку по ценам производителя. Предлагаем широкий ассортимент деталей, удобные формы оплаты, доставку товара в любую точку РФ. Оформите заказ на сайте или позвоните нам.