Аналоги:

Звездочка под расточку со ступицей с калеными зубьями для цепи: 08B-1, Z=10, 1/2" x 5/16" PS09T10 (PHS08B-1BH10) ISKRA - это двухрядная звездочка, которая предназначена для применения в системах цепных передач на различных производствах, в промышленных станках и спецтехнике.
Изготавливается из стали С45Е. Отличительной особенностью данного типа звездочки является то, что её зубчатый венец закалён током высокой частоты, благодаря чему она способна выдерживать более высокие нагрузки.
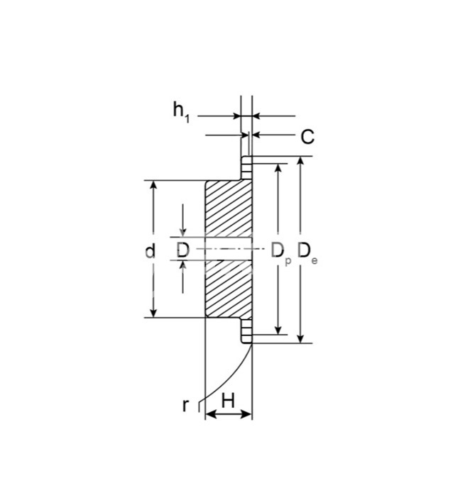
В конструкции звездочки содержится ступица.
Количество зубьев - 10.
Ширина зуба - 7,2 мм.
Внешний диаметр - 45,2 мм.
Шаг цепи - 12,7 мм.