Аналоги:

Звездочка двойная для однорядных цепей: 16B-1, Z=20, 1" x 17,02 mm DS12020 (PHS 16B-1DSA20) ISKRA применяется в цепных передачах для автомобильного транспорта, сельскохозяйственной техники, подъемно-транспортного и бурового оборудования, а также в различных производственных станках. Особенностью использования данного типа звездочки является равномерный износ зубьев, за счет которого удается достичь наибольшей плавности цепного хода, а значит устранить риск снижения производственной мощности и производительности оборудования.
Предназначена для обеспечения надежного сцепления всех элементов движущего механизма между собой. Изготавливается из стали С45Е.
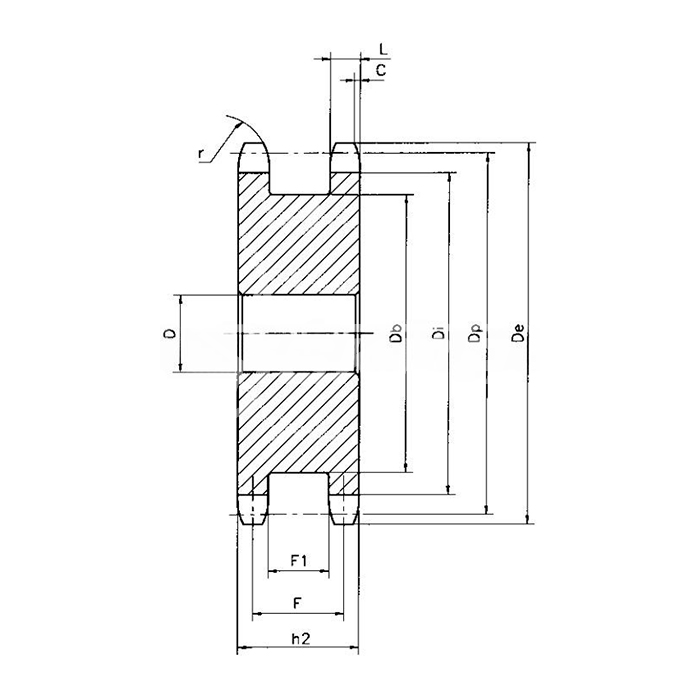
Количество зубьев - 20.
Наружный диаметр - 173,2 мм.
Радиус зуба звездочки - 26 мм.