Аналоги:

Звездочка двойная для однорядных цепей: 12B-1, Z=16, 3/4" x 7/16" DS11016 (PHS 12B-1DSA16) ISKRA применяется в цепных передачах для автомобильного транспорта, сельскохозяйственной техники, , подъемно-транспортного и бурового оборудования, а также в различных производственных станках. Особенностью использования данного типа звездочки является равномерный износ зубьев, за счет которого удается достичь наибольшей плавности цепного хода, а значит устранить риск снижения производственной мощности и производительности оборудования.
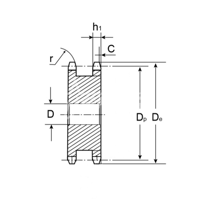
Предназначена для обеспечения надежного сцепления всех элементов движущего механизма между собой. Изготавливается из стали С45Е.
Количество зубьев - 16.
Ширина зуба - 11,1 мм.
Внешний диаметр - 105,5 мм.
Шаг цепи - 19,05 мм.
Вес - 1,9 кг.