Аналоги:

Вал полый хромированный WVH8 ISKRA – это высокоточный механический компонент, широко используемый в зубчатых, цепных, ременных передачах и приводах, а также в системах перемещения. Его конструкция с внутренней полостью обеспечивает снижение веса без потери прочности, что особенно важно в робототехническом, вентиляционном, складском, транспортировочном оборудовании и спецтехнике.
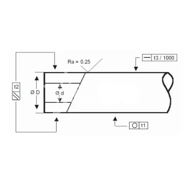
Благодаря строгому контролю показателей круглости, цилиндричности, прямолинейности и шероховатости, полый вал гарантирует минимальные биения и высокую стабильность работы в условиях динамических нагрузок.
Изготовлен из стали Ck60.
Диаметр вала - 8 мм.
Вес - 0.3 кг/м.
Прямолинейность составляет 0.3 мм/1000 мм.
Глубина индукционной закалки SHD - 1.3 мм.