Аналоги:

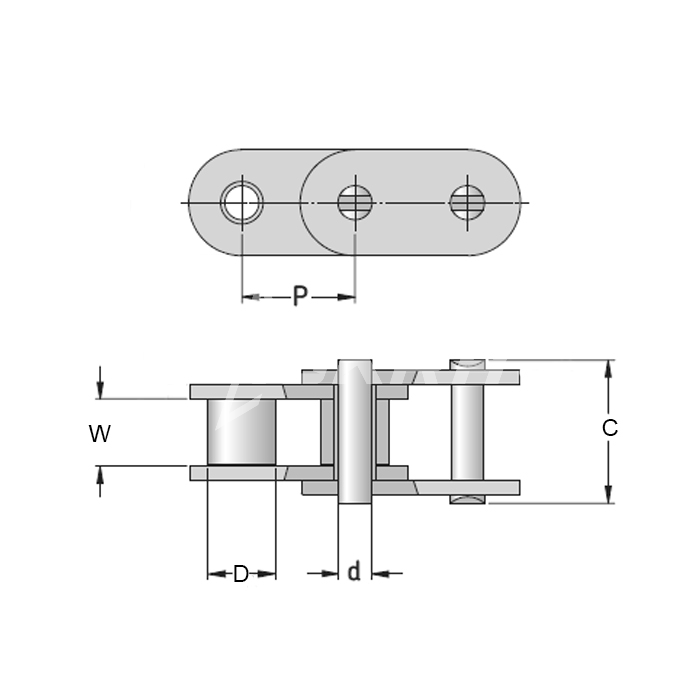
Цепь приводная роликовая однорядная 06B-1 ISKRA является однорядной цепью со стандартным типом звеньев.
Выполнена из стали по стандарту ISO 606 DIN 8187.
Диаметр ролика составляет 6,35 мм.
Ширина между внутренними пластинами - 5,72 мм.
Шаг цепи 9,525 мм.
Вес цепи равен 0,41 кг/м.