Аналоги:

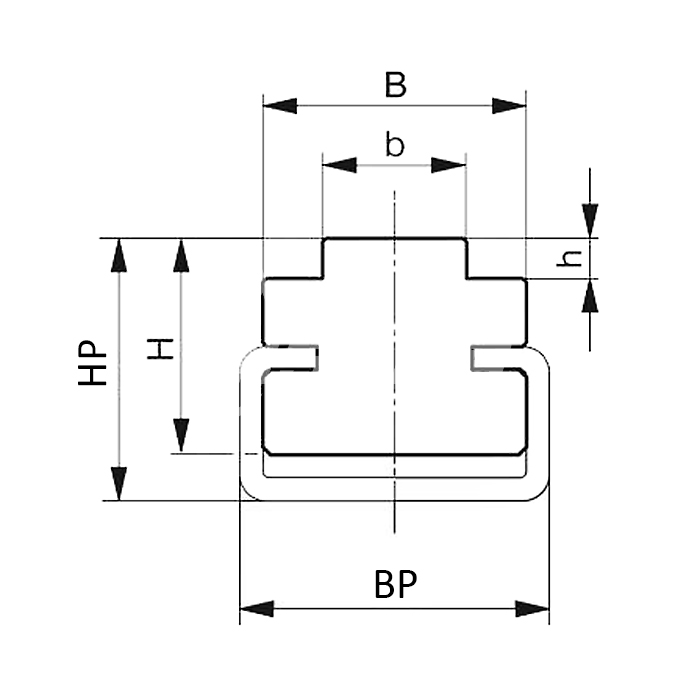
Направляющая для цепи 06B-1 тип 1TC H=15 ISKRA применяется для
снижения уровня шума и трения и при движении цепи предотвращая её быстрый износ.
Благодаря направляющим продлевается срок службы механизма цепной передачи.
Ширина 20 мм.
Высота - 15 мм.
Тип цепи 06B-1.