Аналоги:

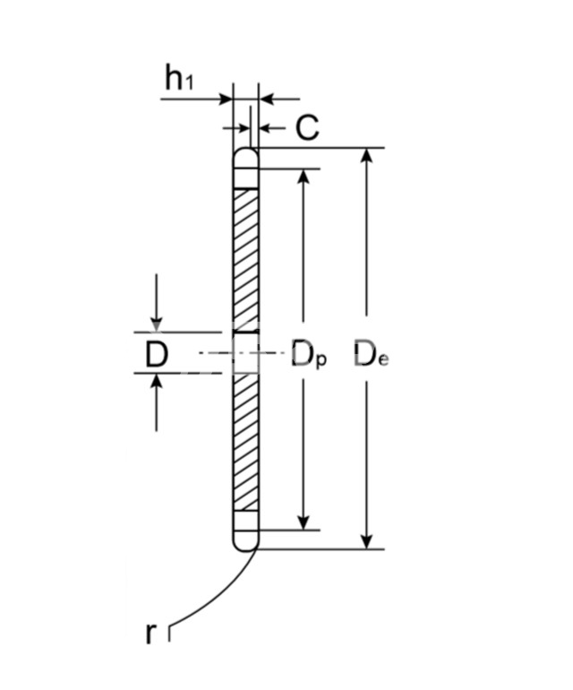
Звездочка без ступицы под расточку для цепи: 08B-1, Z=12, 1/2" x 5/16" CS09012 (PHS 08B-1A12) ISKRA представляет собой однорядную звездочку и применется в цепной передаче на различных производствах, в промышленных станках и спецтехнике.
Предназначена для обеспечения надежного сцепления всех элементов движущего механизма между собой. Производится из стали С45Е.
Количество зубьев - 12.
Ширина зуба - 7,2 мм.
Внешний диаметр - 53 мм.
Шаг цепи - 12,7 мм.
Вес - 0,08 кг.