Аналоги:

Вал прецизионный W8 ISKRA – это надежный и жесткий компонент, предназначенный для применения в системах с повышенными требованиями к прочности и износостойкости. Он широко используется в тяжелом машиностроении, станкостроении и высоконагруженных приводах, где важна максимальная устойчивость к деформациям.
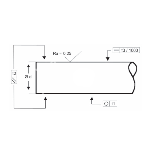
Высокие показатели точности изготовления (круглость, цилиндричность, прямолинейность и шероховатость) обеспечивают долговечность и стабильность работы в условиях интенсивных механических нагрузок.
Изготовлен из стали Cf53.
Диаметр вала - 8 мм.
Вес - 0.004 кг/см.
Прямолинейность составляет 0.3 мм/1000 мм.
Глубина индукционной закалки SHD - 0.4 мм.