Аналоги:

Вал прецизионный W30 ISKRA – это надежный и жесткий компонент, предназначенный для применения в системах с повышенными требованиями к прочности и износостойкости. Он широко используется в тяжелом машиностроении, станкостроении и высоконагруженных приводах, где важна максимальная устойчивость к деформациям.
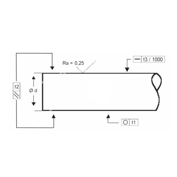
Высокие показатели точности изготовления (круглость, цилиндричность, прямолинейность и шероховатость) обеспечивают долговечность и стабильность работы в условиях интенсивных механических нагрузок.
Изготовлен из стали Cf53.
Диаметр вала - 30 мм.
Вес - 0.056 кг/cм.
Прямолинейность составляет 0.2 мм/1000 мм.
Глубина индукционной закалки SHD - 0.9 мм.