Аналоги:

Линейный подшипник LMEK30-UU ISKRA выполнен из сепаратора и сегментов дорожек качения, созданные так, чтобы полностью использовать длину зоны нагружения для увеличения грузоподъемности и продления исправного состояния оборудования. Производит линейное перемещение по прецизионному валу без опоры с диаметром 30 мм.
Выдерживает динамическую нагрузку до 1560 Н и статическую нагрузку до 2740 Н.
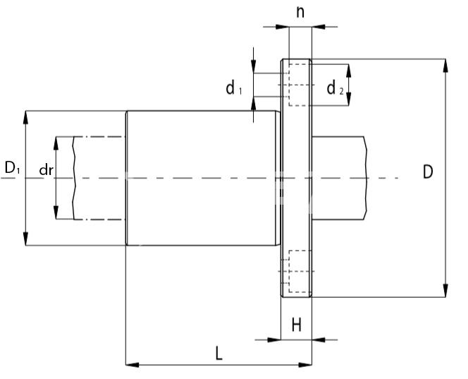
Внутренний диаметр – 30 мм. Внешний диаметр – 47 мм.
Вес подшипника равен 0,46 кг.