Аналоги:

Вал полый хромированный WVH16 ISKRA – это высокоточный механический компонент, широко используемый в зубчатых, цепных, ременных передачах и приводах, а также в системах перемещения. Его конструкция с внутренней полостью обеспечивает снижение веса без потери прочности, что особенно важно в робототехническом, вентиляционном, складском, транспортировочном оборудовании и спецтехнике.
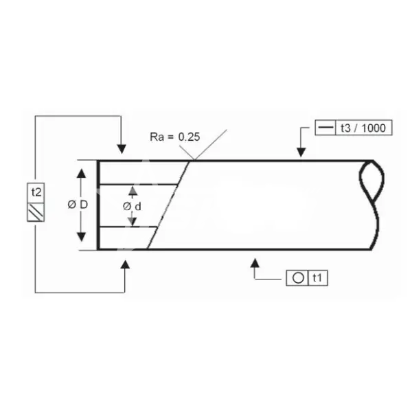
Благодаря строгому контролю показателей круглости, цилиндричности, прямолинейности и шероховатости, полый вал гарантирует минимальные биения и высокую стабильность работы в условиях динамических нагрузок.
Изготовлен из стали Ck60.
Диаметр вала - 16 мм.
Внутренний диаметр - 7 мм.Вес - 0.0128 кг/см.