Шкивы зубчатые дюймовые под расточку

Показать по 24

У зубчатых шкивов особая конструкция — они имеют выступы (зубчики), которые надежно цепляются к зубчатым элементам приводного ремня. Это исключает проскальзывание и обеспечивает эффективную передачу движения.

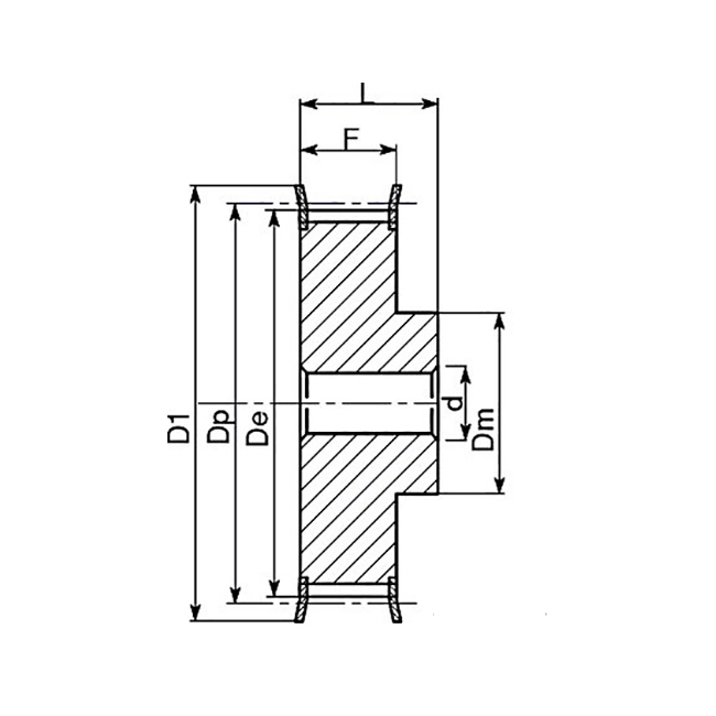
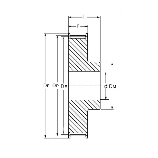
В компании ISKRA вы можете выгодно приобрести шкив дюймовый зубчатый под расточку. В центре детали есть небольшое отверстие, которое можно расточить или рассверлить до нужного диаметра для посадки на вал.

Преимущества оборудования

Шкивы дюймовые зубчатые изготовлены из качественной стали. Она устойчива к механическим повреждениям, истиранию, коррозии, перепадам температур и воздействию влаги. Детали универсальны: применяются в станках для пищевой, бумажной и химической промышленности, в компрессорах, упаковочных и печатных машинах и в другом оборудовании с ременной передачей.

Особенности шкивов:

  • просты в установке и демонтаже;
  • благодаря возможности расточки позволяют получить более широкий диаметр посадочного отверстия, чем у моделей под втулку;
  • обеспечивают равномерность и плавность движения без рывков благодаря надежному соединению зубчиков с ремнем;
  • идеально сбалансированы, благодаря чему снижают нагрузку на приводную систему;
  • не нуждаются в дополнительном смазывании или другом специальном обслуживании.

У зубчатых шкивов длительный срок службы. Благодаря снижению вибраций они прослужат долго даже при частых переходах от минимальной нагрузки к максимальной.

Детали проходят строгий производственный контроль качества. Реализуются с гарантией 1 год.

Как купить

Приобрести зубчатые шкивы можно на нашем складе в Санкт-Петербурге с самовывозом или на сайте. Мы организуем быструю курьерскую доставку в любой город России. Также привозим заказы в другие страны с помощью транспортных компаний.

Реализуем товары по доступным ценам в любых объемах. Регулярно пополняем ассортимент продукции на складе, чтобы все позиции из каталога всегда были в наличии.

Если вам нужна помощь в выборе зубчатого шкива, свяжитесь с нашими консультантами по телефону.