Аналоги:

Вал прецизионный W16 ISKRA – это надежный и жесткий компонент, предназначенный для применения в системах с повышенными требованиями к прочности и износостойкости. Он широко используется в тяжелом машиностроении, станкостроении и высоконагруженных приводах, где важна максимальная устойчивость к деформациям.
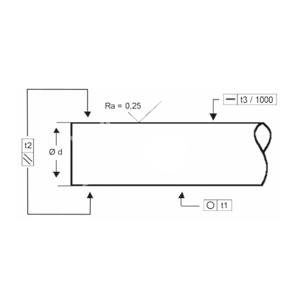
Высокие показатели точности изготовления (круглость, цилиндричность, прямолинейность и шероховатость) обеспечивают долговечность и стабильность работы в условиях интенсивных механических нагрузок.
Изготовлен из стали Cf53.
Диаметр вала - 16 мм.
Вес - 0.016 кг/cм.
Прямолинейность составляет 0.25 мм/1000 мм.
Глубина индукционной закалки SHD - 0.6 мм.