Аналоги:

Вал нержавеющий WRB20 ISKRA – это надежный и жесткий компонент, предназначенный для применения в системах с повышенными требованиями к прочности и износостойкости. Он широко используется в тяжелом машиностроении, станкостроении и высоконагруженных приводах, где важна максимальная устойчивость к деформациям.
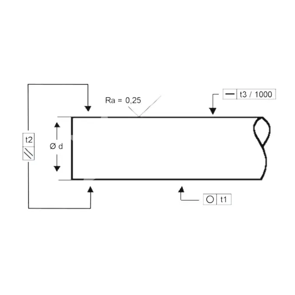
Высокие показатели точности изготовления (круглость, цилиндричность, прямолинейность и шероховатость) обеспечивают долговечность и стабильность работы в условиях интенсивных механических нагрузок.
Изготовлен из нержавеющей стали X46Cr13.
Диаметр вала - 20 мм.
Вес - 0.0246 кг/см.
Твердость - 57+/-3HRC.