
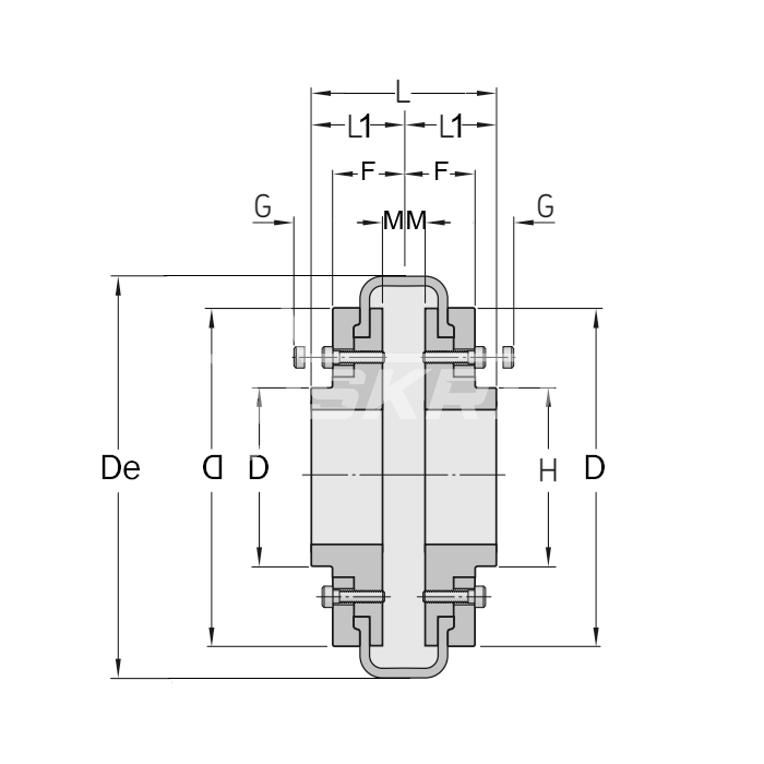
Торообразная муфта в сборе под расточку FLEX F160 ISKRA надежна и проста в установке и эксплуатации, в частности из-за отсутствия необходимости обслуживания. Используется для уменьшения нагрузок и снижения уровня вибрации, а также для компенсации радиального смещения валов.
Для установки муфты потребуется расточить черновое отверстие под необходимый диаметр. Вы можете заказать расточку вместе с муфтой на нашем сайте и получить изделие, уже готовое к эксплуатации.