Аналоги:

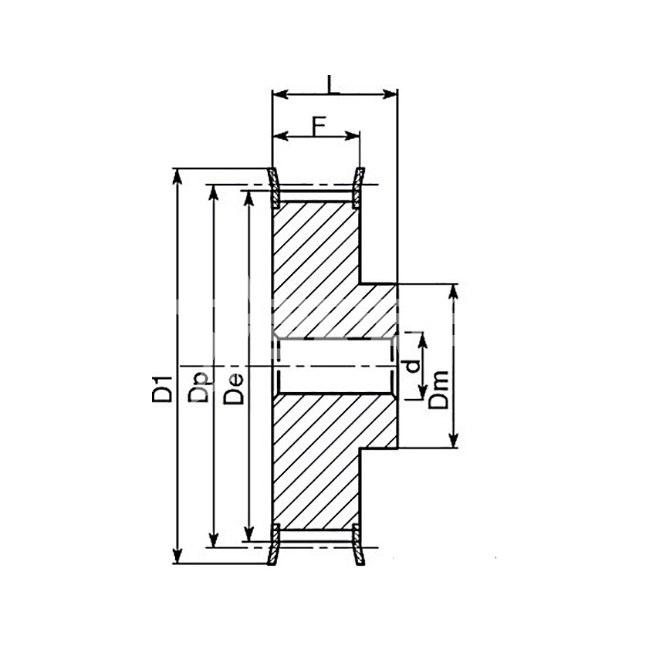
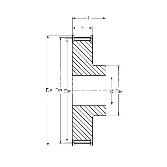
Шкив зубчатый под расточку с дюймовым профилем 14H100 (PHP 14H100RSB) ISKRA служит для передачи движения между валами при помощи ремня, а также ведущего и ведомого шкивов.
Производится из стали.
Подходит под профиль ремня H 100 - 1/2 дюйма (12,7 мм).
Расчетный диаметр шкива - 56,6 мм.
Количество зубьев - 14.
Вес - 0,67 кг.