Аналоги:

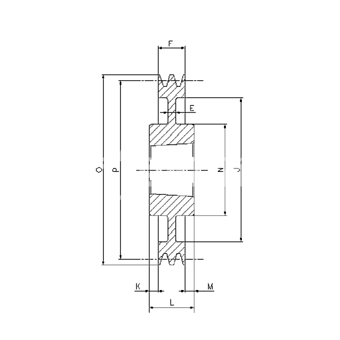
Шкив клиновой под втулку тапербуш SPA315-01 TB (PHP 1SPA315TB) ISKRA служит для передачи движения от ведущего шкива к ведомому при помощи ремня.
Предсталяет собой приводное колесо с двумя канавками и предначен для клинового типа ремня.
Используется в машинах и механизмах с ременным приводом, а также в транспортных системах (конвейеры и транспортные ленты).
Производится из фосфатированного чугуна GG25.
Подходит под втулку тапербуш 2012.
Максимальный диаметр втулки под вал 50 мм.
Тип шкива - SPA315-01.
Профиль ремня - SPA/1.
Вес - 4,43 кг.