Аналоги:

Направляющая для цепи 08B-1 тип 1E H=15 ISKRA применяется для снижения уровня шума и трения и при движении цепи предотвращая её быстрый износ. Благодаря направляющим продлевается срок службы механизма цепной передачи.
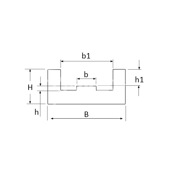
Ширина 30 мм. Высота - 15 мм.
Тип цепи 08B-1.