Аналоги:

Каретка MGW9CZ0H ISKRA – одна из важных частей систем линейного перемещения. Применяется в металлообработке и деревообработке, а также как элемент в системах для резки в полиграфии и медицинском оборудовании.
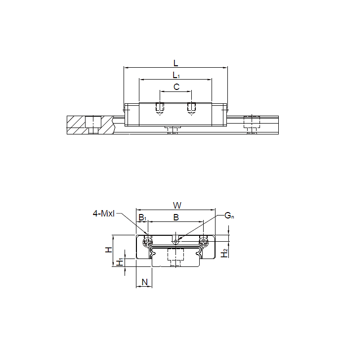
Динамическая нагрузка – 2,8 кН.
Статическая нагрузка – 4,2 кН.
Длина каретки – 39,3 мм.
Резьба – M3x3.