Аналоги:

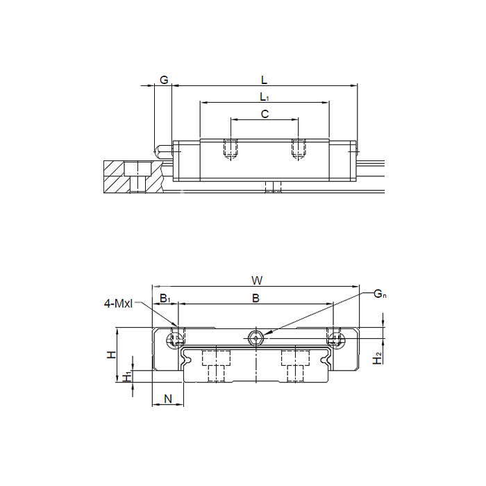
Каретка MGW15CZ0H ISKRA – одна из важных частей систем линейного перемещения. Применяется в металлообработке и деревообработке, а также как элемент в системах для резки в полиграфии и медицинском оборудовании.
Динамическая нагрузка – 6,9 кН.
Статическая нагрузка – 9,4 кН.
Длина каретки – 54,8 мм.
Резьба – M4x4,2.