Аналоги:

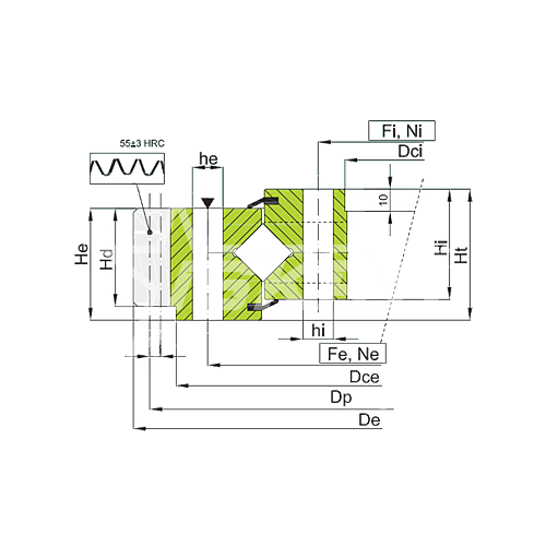
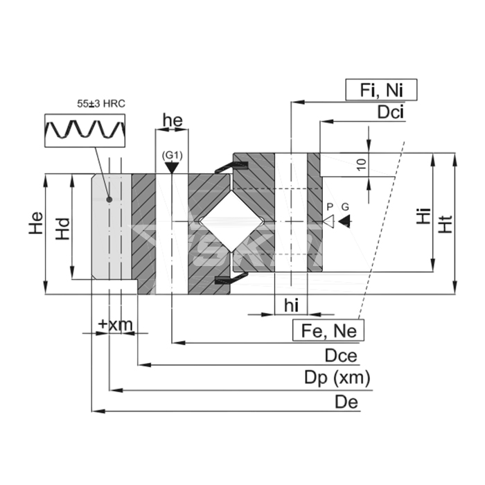
ОПУ серия с перекрестными роликами на один ряд ER1.25.0475.401-2RPPN ISKRA является опорно-поворотным устройством с наружным зацеплением. Предоставляет большую грузоподъемность механизмам.
Используется как составляющая деталь кранов, ветродвигателей, экскаваторов, илоскрёбов, кантователей и т.д.
Выполнен из стали марки 45.
Наружный диаметр составляет 700 мм. Внутренний диаметр — 690 мм. Имеет 36-1 отверстий внутреннего и внешнего кольца, а также 114 зубьев 6 модуля.
Вес составляет 82 кг.