Аналоги:

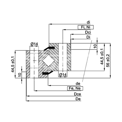
ОПУ серия с перекрестными роликами на один ряд NR1.14.0644.200-1PPN ISKRA является опорно-поворотным устройством с преднатягом без зацепления. Предоставляет большую грузоподъемность механизмам.
Используется как составляющая деталь кранов, ветродвигателей, экскаваторов, илоскрёбов, кантователей и т.д.
Выполнен из стали марки 45.
Наружный диаметр составляет 716 мм.
Имеет 36 отверстий внутреннего и внешнего кольца.
Вес составляет 44 кг.