Аналоги:

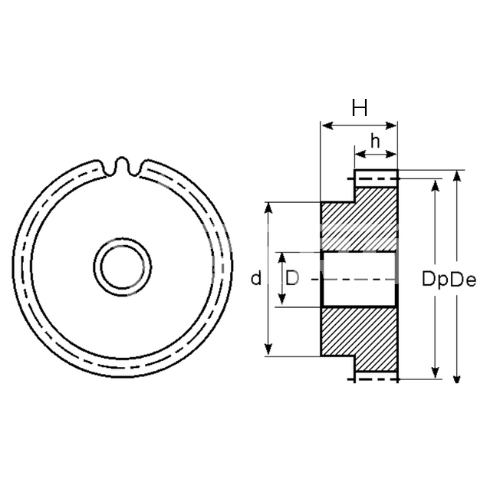
Зубчатая шестерня со ступицей, M=3, Z=22 PM30022 ISKRA используется для передачи крутящего момента и оборотов от ведущего вала к ведомому, а также в реечных передачах для модификации вращательного движения в поступательное. Выполнена из стали марки С45Е, отличающейся высокой износостойкостью.
Имеет ступицу для посадки на вал или другую часть трансмиссии и черновое отверстие под расточку.
Диаметр шестерни составляет 72 мм.
Ширина зубчатого венца для модуля равна 30 мм.
Количество зубьев – 22 шт.