Аналоги:

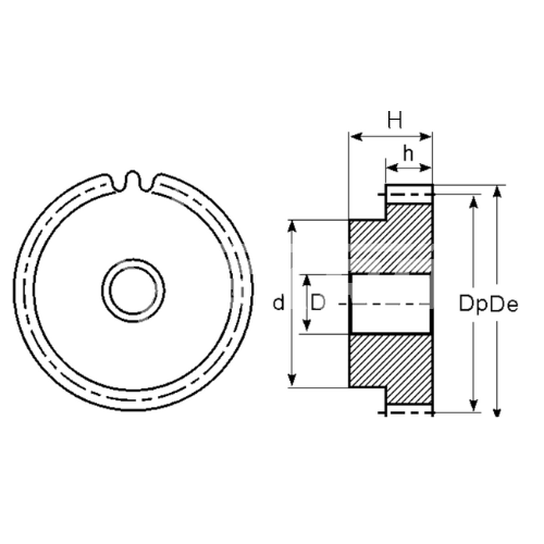
Зубчатая шестерня со ступицей, M=2,5, Z=22 PM29022 ISKRA используется для передачи крутящего момента и оборотов от ведущего вала к ведомому, а также в реечных передачах для модификации вращательного движения в поступательное. Выполнена из стали марки С45Е, отличающейся высокой износостойкостью.
Имеет ступицу для посадки на вал или другую часть трансмиссии и черновое отверстие под расточку.
Диаметр шестерни составляет 60 мм.
Ширина зубчатого венца для модуля равна 25 мм.
Количество зубьев – 22 шт.