Аналоги:

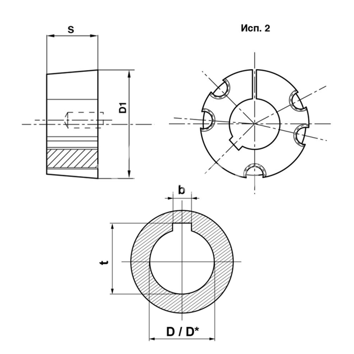
Втулка тапербуш 5050-120 мм ISKRA применяется для закрепления вращающихся деталей трансмиссий на валах.
Изготавливается со шпоночными пазами. Поставляется в комплекте с крепежными винтами.
Материал втулки - чугун
Диаметр внутреннего отверстия - 120 мм.
Внешний диаметр втулки - 177,6 мм.
Вес - 15,17 кг.