Аналоги:

Втулка тапербуш 3535-38 мм ISKRA применяется для закрепления вращающихся деталей трансмиссий на валах.
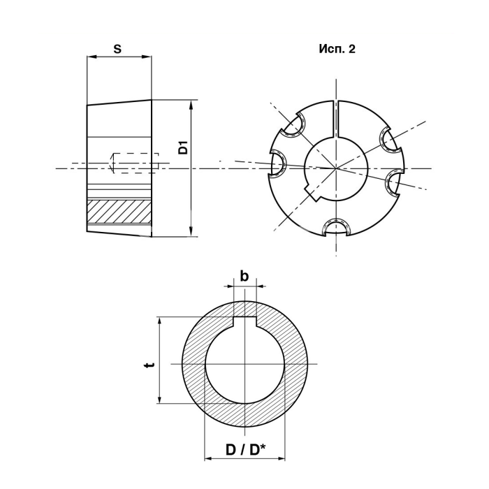
Изготавливается со шпоночными пазами. Поставляется в комплекте с крепежными винтами.
Материал втулки - чугун
Диаметр внутреннего отверстия - 38 мм.
Внешний диаметр втулки - 127 мм.
Вес - 6,42 кг.