Аналоги:

Втулка скольжения с фланцем (графит/бронза) KF40260SF1SN (PCMF404426E) применяется для снижения потери энергии за счет уменьшения трения между деталями оборудования. В процессе работы поверхность вала скользит параллельно рабочей поверхности втулки.
Отличительная особенность втулок скольжения - сохранение работоспособности в особых условиях: в химически агрессивных средах, в воде, при
значительном загрязнении.
Предусмотрена для эксплуатации в оборудовании с радиальной нагрузкой в сочетании с однонаправленной осевой нагрузкой.
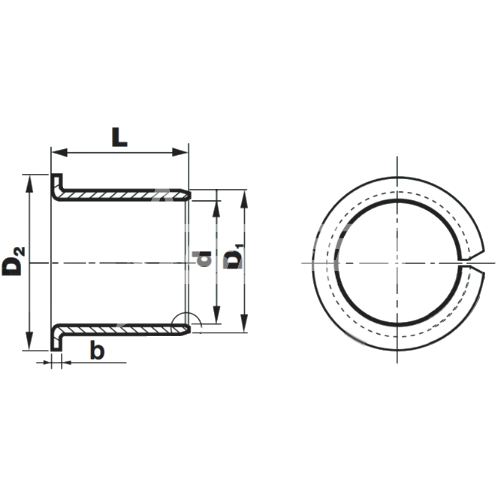
Внутренний диаметр - 40 мм.
Внешний диаметр - 44 мм.
Длина втулки - 26 мм.