Аналоги:

Втулка скольжения с фланцем (графит/бронза) KF20215SF1SN (PCMF202321.5E) применяется для снижения потери энергии за счет уменьшения трения между деталями оборудования. В процессе работы поверхность вала скользит параллельно рабочей поверхности втулки.
Отличительная особенность втулок скольжения - сохранение работоспособности в особых условиях: в химически агрессивных средах, в воде, при
значительном загрязнении.
Предусмотрена для эксплуатации в оборудовании с радиальной нагрузкой в сочетании с однонаправленной осевой нагрузкой.
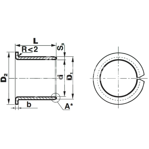
Внутренний диаметр - 20 мм.
Внешний диаметр - 23 мм.
Длина втулки - 21.5 мм.