Аналоги:

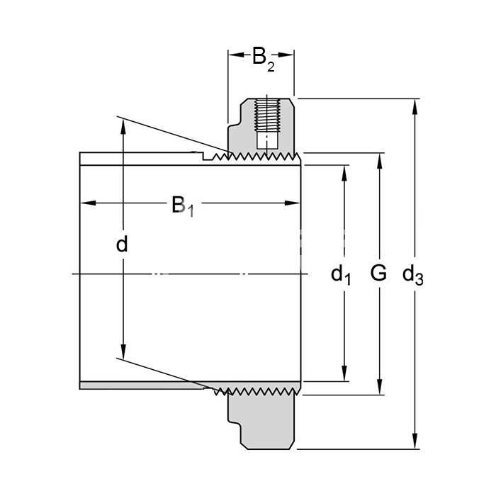
Втулка H3120 ISKRA Используется в разъемных корпусах для закрепления подшипника с коническим отверстием на валах.
Данный типоразмер втулки применяется совместно со стопорным кольцом MB20 и стопорной гайкой KM20.
Внутреннний диаметр - 90 мм.
Внешний диаметр - 130 мм.
Резьба - M100x2.
Вес - 1,8 кг.