Аналоги:

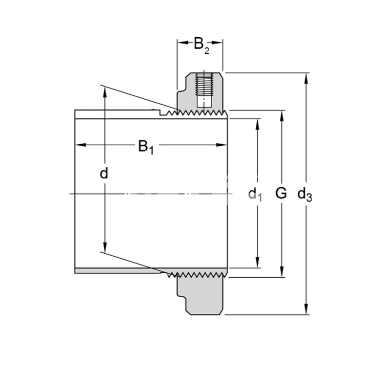
Втулка H310 ISKRA Используется в разъемных корпусах для закрепления подшипника с коническим отверстием на валах.
Данный типоразмер втулки применяется совместно со стопорным кольцом MB10 и стопорной гайкой KM10.
Внутреннний диаметр - 45 мм.
Внешний диаметр - 70 мм.
Резьба - M50x1,5.