Аналоги:

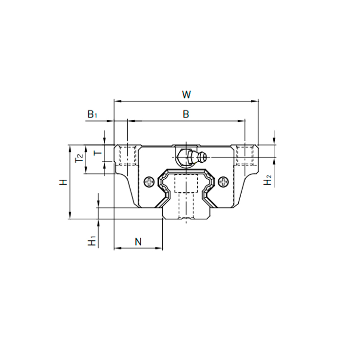
Смазывающий картридж HG25E2 ISKRA служит для непрерывной подачи смазки на дорожки качения во время работы. Масло поступает в каналы каретки через капиллярный канал и обеспечивает лучшее скольжение каретки по направляющим серии HG.
Типоразмер — 25.
Высота 29,5 мм.