Аналоги:

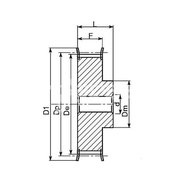
Шкив зубчатый под расточку дюймовый профиль 16H100 (PHP 16H100RSB) ISKRA служит для передачи движения между валами при помощи ремня, а также ведущего и ведомого шкивов.
Производится из стали.
Подходит под профиль ремня H 100 - 1/2 дюйма (12,7 мм).
Расчетный диаметр шкива - 70 мм.
Количество зубьев - 16.
Вес - 0,88 кг.