Аналоги:

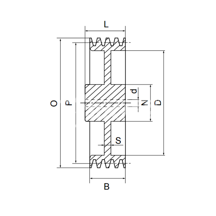
Шкив под расточку клиновой SPA 63-1 (PHP 1SPA63RSB) ISKRA служит для передачи движения от ведущего шкива к ведомому при помощи ремня.
Представляет собой приводное колесо с двумя канавками и предназначен для клинового типа ремня.
Используется в машинах и механизмах с ременным приводом, а также в транспортных системах (конвейеры и транспортные ленты).
Производится из фосфатированного чугуна GG25.
Тип шкива - SPA 63-1.
Профиль ремня - SPA/1.
Количество ручьев - 1.
Вес - 0,51 кг.