Аналоги:

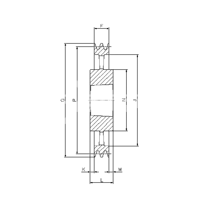
Шкив клиновой под втулку тапербуш SPB450-04 TB (PHP 4SPB450TB) ISKRA служит для передачи движения от ведущего шкива к ведомому при помощи ремня.
Представляет собой приводное колесо с двумя канавками и предназначен для клинового типа ремня.
Используется в машинах и механизмах с ременным приводом, а также в транспортных системах (конвейеры и транспортные ленты).
Производится из фосфатированного чугуна GG25.
Подходит под втулку тапербуш 3535.
Максимальное отверстие втулки тапербуш - 90 мм.
Тип шкива - SPB450-04.
Профиль ремня - SPB.
Вес - 33 кг.