Аналоги:

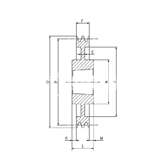
Шкив клиновой под втулку тапербуш SPA236-02 TB (PHP 2SPA236TB) ISKRA служит для передачи движения от ведущего шкива к ведомому при помощи ремня.
Предсталяет собой приводное колесо с двумя канавками и предначен для клинового типа ремня.
Используется в машинах и механизмах с ременным приводом, а также в транспортных системах (конвейеры и транспортные ленты).
Производится из фосфатированного чугуна GG25.
Подходит под втулку тапербуш 2517.
Максимальный диаметр втулки под вал 60 мм.
Тип шкива - SPA236-02.
Профиль ремня - SPA/2.
Вес - 5,74 кг.