Аналоги:

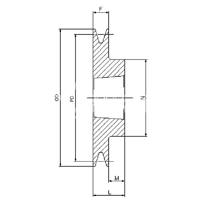
Шкив клиновой под втулку тапербуш SPA140-01 TB (PHP 1SPA140TB) ISKRA служит для передачи движения от ведущего шкива к ведомому при помощи ремня.
Предсталяет собой приводное колесо с двумя канавками и предначен для клинового типа ремня.
Используется в машинах и механизмах с ременным приводом, а также в транспортных системах (конвейеры и транспортные ленты).
Производится из фосфатированного чугуна GG25.
Подходит под втулку тапербуш 1610.
Максимальный диаметр втулки под вал 42 мм.
Тип шкива - SPA140-01.
Профиль ремня - SPA/1.
Вес - 1,86 кг.