Аналоги:

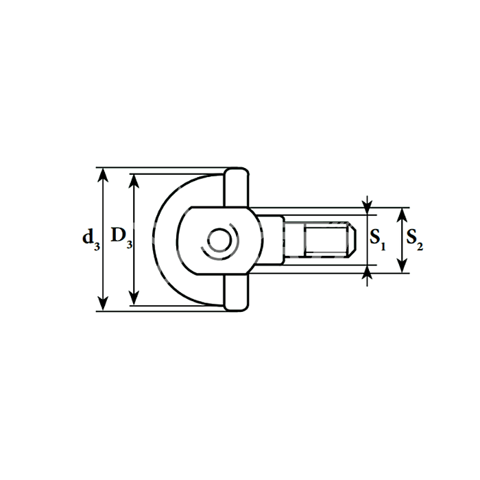
Шарнирный наконечник SQ8CRS ISKRA разработан для восприятия высоких механических нагрузок в процессе вращения, опрокидывания либо качения. Применяется в пневматических цилиндрах, станках для печати, упаковочных машинках, кривошипно-шатунных механизмах и т.д. Изготовлен из нержавеющей стали с парой трения сталь/бронза.
Размер резьбы - M8х1,25.
Вес - 0,07 кг.