Аналоги:

Шарнирный наконечник SI10C ISKRA разработан для восприятия высоких механических нагрузок в процессе вращения, опрокидывания либо качения. Применяется в пневматических цилиндрах, станках для печати, упаковочных машинках, кривошипно-шатунных механизмах и т.д.
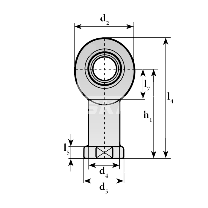
Размер резьбы - M10х1,5.
Вес -