Аналоги:

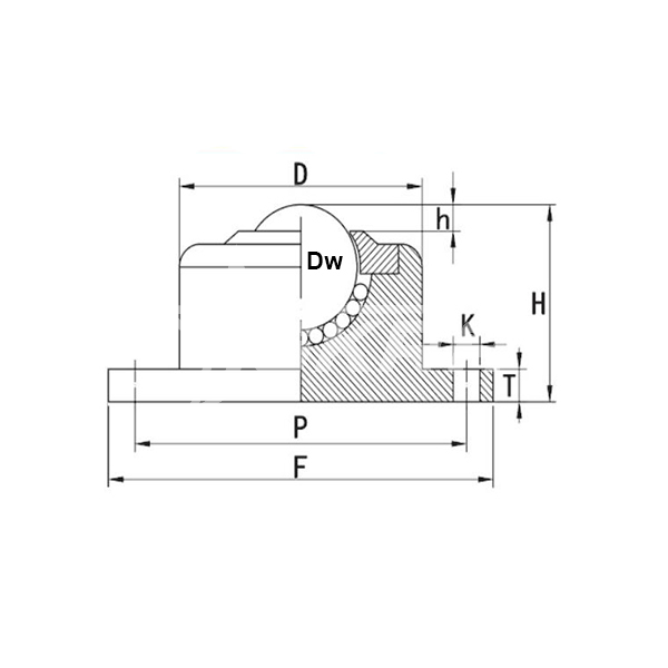
Шариковая опора IS10 ISKRA принимает участие в процессах перемещения тяжеловесных грузов для снижения трения с возможностью приложения минимальных усилий.
Применяется в сборочных и поверочных столах, стендах и других типах технической мебели.
Ширина опоры 23 мм.
Грузоподъемность максимальная — 40 кг.
Грузоподъемность рабочая — 35 кг.
Вес — 0,06 кг.