Аналоги:

Шариковая опора CY25D CS/CS ISKRA принимает участие в процессах перемещения тяжеловесных грузов для снижения трения с возможностью приложения минимальных усилий.
Применяется в сборочных и поверочных столах, стендах и других типах технической мебели.
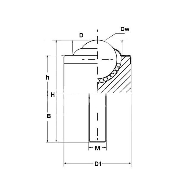
Ширина опоры 24 мм.
Грузоподъемность максимальная — 40 кг.
Грузоподъемность рабочая — 30 кг.
Вес — 0,13 кг.