
Шариковая опора CY22B CS/CS ISKRA принимает участие в процессах перемещения тяжеловесных грузов для снижения трения с возможностью приложения минимальных усилий.
Применяется в сборочных и поверочных столах, стендах и других типах технической мебели.
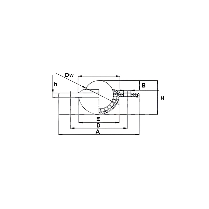
Грузоподъемность - 20 кг.
Ширина опоры - 54,3 мм.
Вес - 0,1 кг.