
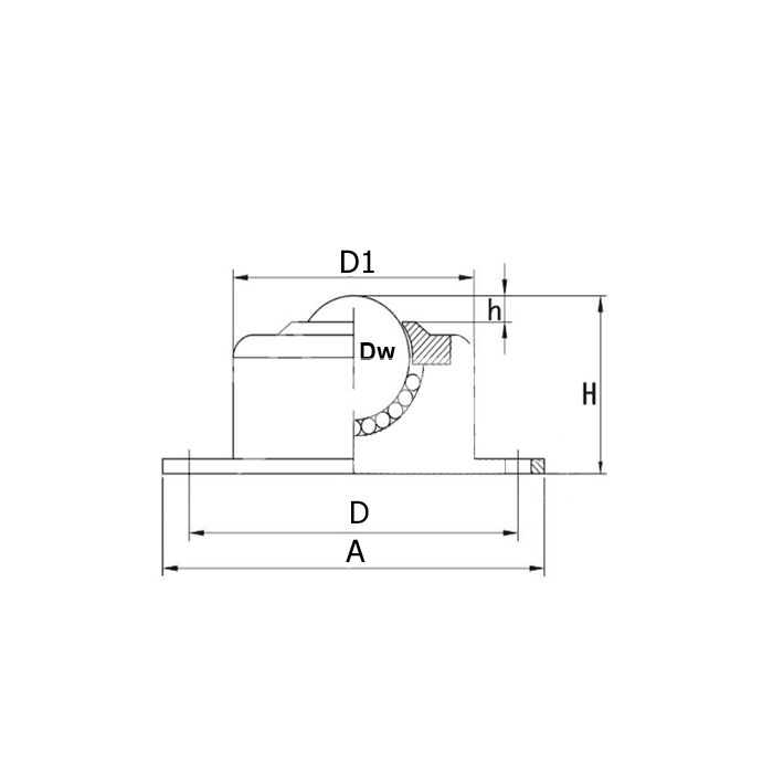
Шариковая опора CY19FL ISKRA принимает участие в процессах перемещения тяжеловесных грузов для снижения трения с возможностью приложения минимальных усилий.
Применяется в сборочных и поверочных столах, стендах и других типах технической мебели.
Грузоподъемность максимальная — 20 кг.
Ширина опоры — 29 мм.
Вес — 0,1 кг.