Аналоги:

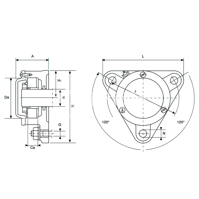
Разъемный фланцевый корпус 722510DB (FNL510B) ISKRA - это подшипниковая деталь с повышенной стойкостью и прочностью, а так же способностью к самоустановке и сменными внутренними компонентами.
Может применяться вместе с шариковыми подшипниками 1210 K и 2210 K и сферически роликоподшипниками 22210 K
Выполнен из литого чугуна.
Диаметр внутреннего отверстия равен 45 мм.
Вес корпуса составляет 3 кг.