Аналоги:

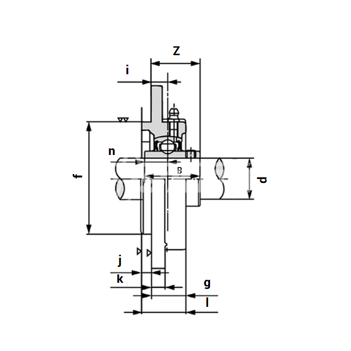
Подшипниковый узел UCFC 214 ISKRA служит в качестве опоры для различных вращающихся деталей таких как валы или колеса в машинах и механизмах. Способен выдерживать повышенные радиальные нагрузки и помогает устранить возможный перекос элементов подшипникового узла, приводящий к скорому износу приводных деталей. Конструкция данного подшипникового узла - монолитная, что дает возможность применять его в цехах и производственных помещениях, отличающихся высоким уровнем запыленности. Относится к типу фланцевых подшипниковых узлов благодаря наличию кольца или «фланца», используемого с целью крепления узла к механизму.
Диаметр внутреннего отверстия - 70 мм.
Крепежный винт - M16 H.